Opto Diode 社
InGaAs アバランシェフォトダイオード Φ0.2mm ODD-APD-001

製品特長
- Φ0.2 mm(200 μm)円形受光面
- 分光感度 900 nm ~ 1700 nm
- 高速応答
- 低キャパシタンス
- ハーメチックシールされたパッケージ
- 低ノイズ
- 高ゲイン
Opto Diode社のアバランシェフォトダイオード(APD)シリーズは、広範なスペクトル範囲において安定した高利得・低ノイズ検出を実現します。このシリーズのODD-APD-001(正式なモデル名:ODD-APD-003-1550-IGA-T46)は、近赤外領域(波長 900 nm ~ 1700 nm)の高感度光検出を目的に設計されたInGaAsアバランシェフォトダイオード(APD)です。InGaAs APD ODD-APD-001は受光面積0.03 mm²の小型アクティブ領域によりファイバー結合や高帯域幅回路との親和性が高く、光通信の1550 nm帯受信モジュールや長距離・低反射物検出を必要とするLiDAR/レーザ距離計、近赤外分光や微弱光計測を行う研究機関・大学、宇宙・航空分野のLIDAR受信器、医療や産業用近赤外センシング機器の設計者・OEMに特に適しております。
アプリケーション
- LiDAR
- レーザー距離計 (Laser Range Finder)
- 粒子径測定 (Particle Sizing)
- DNAシーケンサー (DNA Sequencer)
- 分光器 (Spectrometers)
- 自由空間通信 (Free Space Communication)
仕 様
| 受光面積 | 0.031mm² (Φ 0.2mm) |
|---|---|
| 分光感度領域 | 900 nm ~ 1700 nm |
| 感度(Responsivity) | (Min) 0.9 (A/W) (Typ) 1.0 (A/W) (波長λ=1550nm, M=1 時) |
| 動作電圧Vop (Gain=M) | 【M=10】(Min) 32 (V) ~ (Max) 50 (V) 【M=30】(Min) 34 (V) ~ (Max) 50 (V) (波長λ=1550nm 時) |
| 暗電流 | 【M=10】(Typ) 8.0 (nA), (Max) 50.0 (nA) 【M=30】(Typ) 8.0 (nA), (Max) 50.0 (nA) |
| -3dB カットオフ周波数 (BW) | (Min) 0.6 (GHz) (Typ) 1.25 (GHz) (M=10, RL=50Ω時) |
| キャパシタンス | (Typ) 1.8 (pF) (Max) 2.0 (pF) (M=10, f=1MHz時) |
| 温度係数 | (Min) 0.07 (V/℃) (Typ) 0.11 (V/℃) (Max) 0.15 (V/℃) (IR=10μA, -55℃ ~ 85℃時) |
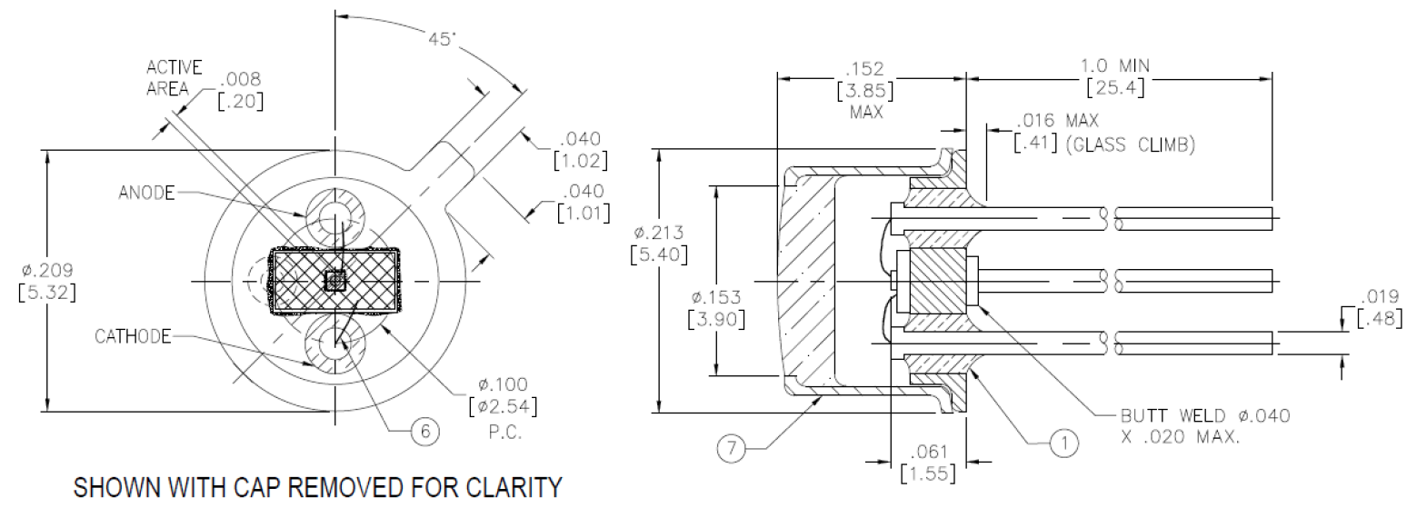
| パッケージ | TO-46 |
温度パラメーター
| パラメーター | MIN | MAX | 単位 |
| APD 供給電圧 | – | VBR | V |
| 動作温度 | -40 | +85 | ℃ |
| 保管温度 | -55 | +125 | ℃ |
| 順方向電流 | – | 5 | mA |
| 逆方向電流 | – | 3 | mA |
| はんだ付け温度(Lead Soldering Temperature) | – | 260 | ℃ |
【Typical】ゲインの逆バイアス電圧依存性

【Typical】暗電流の逆バイアス電圧依存性

パッケージ情報
寸法はインチ[mm]単位で表示されています。



