Opto Diode 社 (旧 International Radiation Detectors 社)
軟X線(soft X-ray)/電子検出用 Siフォトダイオード AXUV100G

製品特長
- X線および低エネルギー電子の検出に最適
- 低エネルギー電子(~200 eV)の検出可能
- UVから可視光スペクトルまで内部量子効率が100%
- VUV領域検出可能
- 光に対する広いスペクトル応答性 (1 nm - 190 nm)
- X線パワー測定
- 電子レチクル検査
- イオン検出可能 Siフォトダイオード
Opto Diode社のAXUV100Gは、X線、電子の精密検出を目的に設計されています。100mm²の大型有効面積を備え、1nmから190nmの波長範囲で優れた光感度を発揮するため、X線アプリケーションに最適です。
また、低エネルギー領域の電子の高精度測定が得意であり、200 eV程度の低エネルギーまで検出可能です。
仕 様
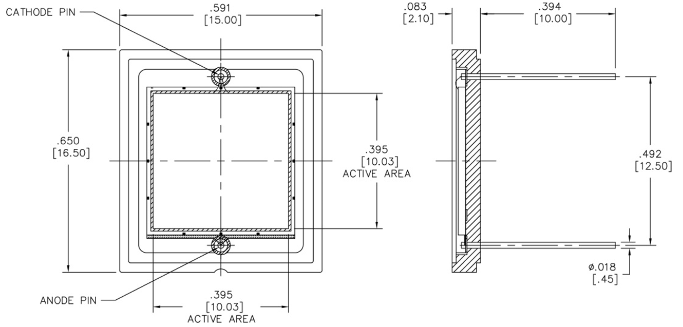
| 受光面積 | 10mm x 10mm |
|---|---|
| (Typ)
電子Responsivity |
![]() |
| (Typ)
EUV-UV 光子Responsivity |
![]() ![]() |
| (Typ)
UV-VIS-NIR 光子Responsivity |
![]() |
| シャント抵抗 | (Min)20 (MΩ) |
| キャパシタンス | (Typ) 5 (nF) (Max) 15 (nF) (逆バイアス電圧 0V時) ![]() |
| 応答時間 | (Max) 10 (μs) |
| 暗電流 | ![]() |
温度パラメーター
| 環境または状況 | 保管および動作温度範囲 |
| 大気 (Ambient) | -10 ~ 40 ℃ |
| 窒素または真空 (Nitrogen or Vacuum) | -20 ~ 80 ℃ |
| 端子はんだ付け温度 (Lead Soldering Temperature) | 260℃ |
パッケージ情報
寸法はインチ[mm]単位で表示されています。

較正サポート
AXUV100Gは、米NISTにてSiフォトダイオードとしては唯一2次標準検出素子として認可されています。

較正をご要望の方はお気軽にお問い合わせください。
AXUV100Gに関する詳細情報
ここでは、AXUV100Gを実際に使用する、もしくは、これから使用を検討されている研究者および技術者の方に役立つ参考情報を載せています。
- パルス光測定の線形性(Linearity)について
AXUV100Gで単発パルス光を測定する際は、少なくとも100 (μJ/cm²)を超えてはいけません。更に、繰り返しパルス光の場合はしきい値が下がり、パルス一つ当たり1 (μJ/cm²)を超えないことが推奨されます。これらのしきい値を超えると感度の線形領域(積算キャリア電荷-光エネルギー 特性曲線の直線領域)から外れてしまうためです。
この問題を解決するために、逆バイアス電圧を印加することが挙げられます。逆バイアスをかけると上記のしきい値が向上します。また、元々ゼロバイアスで線形領域内における正常な測定ができている場合、逆バイアスを印加しても感度(C/J, A/W)は変わりません。
これらのパルス光測定の線形性の議論は以下の論文が参考になります。特に、2つ目の論文は逆バイアスによる応答速度および線形性の向上について詳細に解説しております。
- R. Stuik and F. Bijkert “Linearity of P–N junction photodiodes under pulsed irradiation”, Nuclear Instruments and Methods in Physics Research A, 489, 370-378 (2002).
- R. E. Vest and S. Grantham “Response of a silicon photodiode to pulsed radiation”, Applied Optics, Vol. 42, No. 25, 5045-5063 (2003).
AXUV100G 関連製品
- xPIN: AXUV100Gが検出部のX線検出器
- AXUV20HS1: Φ5mm 高速応答 AXUVフォトダイオード
- AXUV20A: Φ5mm 円形受光面 AXUVフォトダイオード
- AXUVPS7: AXUVの4象限(4分割)フォトダイオード
- AXUV63HS1: AXUV100Gより高速応答なフォトダイオード
- AXUV63HS1-CH: AXUV63HS1の受光面中心にΦ1mmの穴が空いたモデル
- AXUV100TF030: 波長1~12 nmで高感度。軟X線、特に水の窓領域測定に最適
- AXUV100TF400: 波長18~80 nmで高感度。短波側VUV測定に最適
- AXUV300C: 大受光面積(>300mm²) AXUVフォトダイオード
- AXUV576C: 特大受光面積(576mm²) AXUVフォトダイオード









